16 Mar,2026
Gear vs Vane vs Piston: Pompa Hidraulik Industri Mana yang Menawarkan Efisiensi Terbaik?


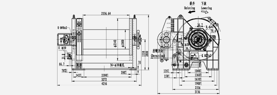
| Dinilai penuh pada lapisan pertama (kN) | 1000 |
| Nilai kecepatan pada lapisan pertama (m/mnt) | 7 |
| Perpindahan total (ml/r) | 131500 |
| Tekanan sistem (MPa) | 35 |
| Beda. tekanan (MPa) | 32 |
| Diameter tali (mm) | 52 |
| Jumlah lapisan tali | 9 |
| Kapasitas drum (m) | 1800 |
| Aliran pompa (L/mnt) | 300 |
| Tipe motorik | HL-A4FM500-01 |
| Tipe kotak roda gigi | IGC550W3-B263 (saya=263) |
Produk yang disediakan oleh perusahaan terkenal sangat dipercaya oleh pengguna.
Pengalaman Industri Bertahun-tahun
Kawasan Pabrik
Karyawan Terampil
Jalur Produksi Lanjutan
INI Hydraulic Co., Ltd. telah spesialisasi dalam merancang dan memproduksi sayap hidraulik, motor hidraulik dan gearbox planet selama lebih dari 20 tahun. Kami adalah salah satu profesional Pemberi aksesori mesin konstruksi di Asia. Bersuai untuk optimisasi desain peralatan cerdas pelanggan adalah cara kita untuk tetap hidup dengan kuat di pasar. Selama 26 tahun, didorong oleh komitmen untuk selalu inovasi untuk memenuhi kebutuhan pelanggan, kami telah mengembangkan jangkauan luas garis produk berdasarkan teknologi kami yang berkembang sendiri. Spektrum luas produk, masing-masing berkorelasi secara intim, mengandung sayap hidraulik dan listrik, gearbox planet, drive slewing, drive transmisi, motor hidraulik, pompa dan sistem hidraulik.
Keandalan produk kami telah terbukti kuat dalam beragam aplikasi, termasuk tidak terbatas pada mesin industri, mesin konstruksi, mesin kapal & dek, peralatan lepas pantai, mesin pertambangan dan metalurgi.
Selain itu, kualitas produk kami telah disetujui oleh beberapa badan sertifikat terkenal di seluruh dunia. Sertifikasi yang telah diperoleh produk kami antara lain Sertifikat Pemeriksaan Tipe EC, MODE BV, Sertifikat DNV GL, Pengesahan Kesesuaian EC, Sertifikat Persetujuan Tipe untuk Produk Kelautan, dan Jaminan Mutu Lloyd’s Register. Sejauh ini, selain China, pasar domestik kami, kami telah banyak mengekspor produk kami ke Amerika Serikat, Jerman, Belanda, Australia, Rusia, Turki, Singapura, Jepang, Korea Selatan, Malaysia, Vietnam, India dan Iran. Logistik dan layanan purna jual kami mencakup seluruh dunia dengan cepat dan andal demi kepentingan mendalam pelanggan kami.
16 Mar,2026
09 Mar,2026
02 Mar,2026
23 Feb,2026
16 Feb,2026
09 Feb,2026
02 Feb,2026
26 Jan,2026
19 Jan,2026
12 Jan,2026
TERATAS