16 Mar,2026
Gear vs Vane vs Piston: Pompa Hidraulik Industri Mana yang Menawarkan Efisiensi Terbaik?


Motor dengan tekanan tinggi, penggerak kecepatan tinggi, dan katup keseimbangan,
Ini dirancang untuk kondisi beban tinggi
Ini adalah solusi ideal untuk ekskavator hidrolik seberat 6 hingga 50 ton
Desain yang efisien dan kompak
Teknologi tekanan tinggi meningkatkan efisiensi sistem hidrolik
Motor dua kecepatan dengan katup keseimbangan terintegrasi dan katup pelepas tekanan
Motor mengintegrasikan fungsi pengereman hidrolik
Kecepatan dapat diubah secara otomatis berdasarkan permintaan
Suhu rendah, efisiensi tinggi
Kisaran suhu pengoperasian: -20 ° C~80° C
Desain kompak
Motor bertekanan tinggi berkapasitas rendah memperpanjang masa pakai komponen penting dan meningkatkan keseluruhan
Daya tahan sistem
Lapisan seluruhnya terbuat dari tembaga untuk rotasi pendorong hidraulik
Baki distribusi logam ganda (tembaga/baja).
Kombinasi putaran dengan sistem pegas khusus meningkatkan umur motor
Sistem tiga penyegelan peredam: segel labirin mekanis, segel oli tipe V, segel oli utama.
Segel oli utama dapat diganti tanpa membongkar peredam
Bantalan peredam adalah komponen independen, mudah dipasang, dan dapat disetel sepenuhnya untuk beban negatif
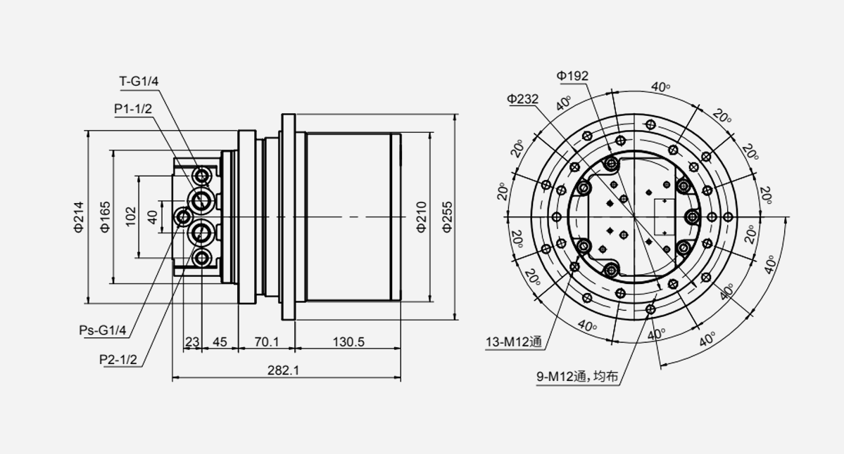
ITM01:
| Modal | (L/menit) | (ML/r) | (Mpa) | (Mpa) | Rasio gigi | (Nm) | (putaran/menit) | Rotasi | (℃) | (mm2/dtk) |
| ITM01 | 20 | 6.31/12.56 | 25 | 2-7 | 36.96 | 1845 | 85.8/43 | dua arah | -20- 80 | 16-25 |
| Modal | (L/menit) | (ML/r) | (Mpa) | (Mpa) | Rasio gigi | (Nm) | (putaran/menit) | Rotasi | (℃) | (mm2/dtk) |
| ITM03 | 40 | 18/12 | 21 | 2-7 | 45.2 | 2719 | 55/37 | dua arah | -20- 80 | 16-25 |
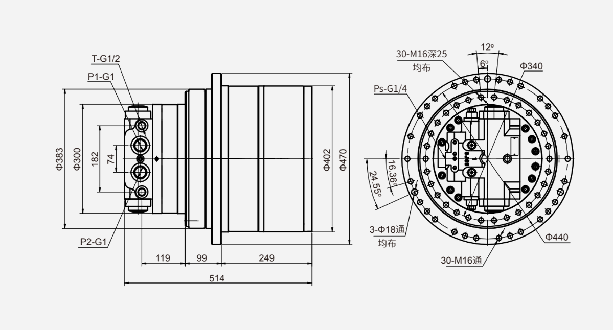
ITM04:
| Modal | (L/menit) | (ML/r) Motor | (Mpa) | (Mpa) | Rasio gigi | (Nm) | (putaran/menit) | Rotasi | (℃) minyak | (mm2/dtk) |
| ITM04 | 40 | 14.3/23.6 | 21 | 2-7 | 52.7 | 4200 | 55/33 | dua arah | -20- 80 | 16-25 |
| Modal | (L/mnt) Aliran masukan | (ML/r) | (Mpa) | (Mpa) | Rasio gigi | (Nm) | (putaran/menit) | Rotasi | (℃) | (mm2/dtk) |
| ITM06 | 50 | 19/34 | 24.5 | 2-7 | 47.53 | 6300 | 55/30 | dua arah | -20- 80 | 16-25 |
| Modal | (L/mnt) Aliran masukan | (ML/r) | (Mpa) Tekanan Kerja | (Mpa) | Rasio gigi | (Nm) | (putaran/menit) | Rotasi | (℃)minyak | (mm2/dtk) |
| ITM07 | 50 | 22/44 | 27.5 | 2-7 | 53.706 | 10500 | 50/25 | dua arah | -20- 80 | 16-25 |
ITM09:
| Modal | (L/menit) | (ML/r) | (Mpa) | (Mpa) | Rasio gigi | (Nm) | (putaran/menit) | Rotasi | (℃) | (mm2/dtk) |
| ITM09 | 80 | 34/53 | 30 | 2-7 | 53.7 | 11500 | 51/33 | dua arah | -20- 80 | 16-25 |
| Modal | (L/menit) | (ML/r) | (Mpa) | (Mpa) | Rasio gigi | (Nm) | (putaran/menit) | Rotasi | (℃) | (mm2/dtk) |
| ITM10 | 80 | 38/65 | 25 | 2-7 | 53.7 | 13000 | 51/33 | dua arah | -20- 80 | 16-25 |
| Modal | (L/menit) | (ML/r) | (Mpa) | (Mpa) | Rasio gigi | (Nm) | (putaran/menit) | Rotasi | (℃) | (mm2/dtk) |
| ITM18 | 130 | 43/67 | 30 | 2-7 | 53 | 16900 | 57/37 | dua arah | -20- 80 | 16-25 |
| Modal | (L/menit) | (ML/r) | (Mpa) | (Mpa) | Rasio gigi | (Nm) | (putaran/menit) | Rotasi | (℃) | (mm2/dtk) | Berlaku model |
| ITM22 | 130 | 48/81 | 34.3 | 2-7 | 53.7 | 23700 | 50/30 | dua arah | -20- 80 | 16-25 | 13-17 |
| Modal | (L/menit) | (ML/r) | (Mpa) | (Mpa) | Rasio gigi | (Nm) | (putaran/menit) Teoretis | Rotasi | (℃) | (mm2/dtk) |
| ITM40 | 230 | 99/147 | 34.3 | 2-7 | 50.5 | 40546 | 50/32 | dua arah | -20- 80 | 16-25 |
| Modal | (L/menit) | (ML/r) | (Mpa) | (Mpa) | Rasio gigi | (Nm) | (putaran/menit) | Rotasi | (℃) | (mm2/dtk) |
| ITM60 | 330 | 195/120 | 34.3 | 2-7 | 63.84 | 67000 | 40/26 | dua arah | -20- 80 | 16-25 |
Produk yang disediakan oleh perusahaan terkenal sangat dipercaya oleh pengguna.
Pengalaman Industri Bertahun-tahun
Kawasan Pabrik
Karyawan Terampil
Jalur Produksi Lanjutan
INI Hydraulic Co., Ltd. telah spesialisasi dalam merancang dan memproduksi sayap hidraulik, motor hidraulik dan gearbox planet selama lebih dari 20 tahun. Kami adalah salah satu profesional Pemberi aksesori mesin konstruksi di Asia. Bersuai untuk optimisasi desain peralatan cerdas pelanggan adalah cara kita untuk tetap hidup dengan kuat di pasar. Selama 26 tahun, didorong oleh komitmen untuk selalu inovasi untuk memenuhi kebutuhan pelanggan, kami telah mengembangkan jangkauan luas garis produk berdasarkan teknologi kami yang berkembang sendiri. Spektrum luas produk, masing-masing berkorelasi secara intim, mengandung sayap hidraulik dan listrik, gearbox planet, drive slewing, drive transmisi, motor hidraulik, pompa dan sistem hidraulik.
Keandalan produk kami telah terbukti kuat dalam beragam aplikasi, termasuk tidak terbatas pada mesin industri, mesin konstruksi, mesin kapal & dek, peralatan lepas pantai, mesin pertambangan dan metalurgi.
Selain itu, kualitas produk kami telah disetujui oleh beberapa badan sertifikat terkenal di seluruh dunia. Sertifikasi yang telah diperoleh produk kami antara lain Sertifikat Pemeriksaan Tipe EC, MODE BV, Sertifikat DNV GL, Pengesahan Kesesuaian EC, Sertifikat Persetujuan Tipe untuk Produk Kelautan, dan Jaminan Mutu Lloyd’s Register. Sejauh ini, selain China, pasar domestik kami, kami telah banyak mengekspor produk kami ke Amerika Serikat, Jerman, Belanda, Australia, Rusia, Turki, Singapura, Jepang, Korea Selatan, Malaysia, Vietnam, India dan Iran. Logistik dan layanan purna jual kami mencakup seluruh dunia dengan cepat dan andal demi kepentingan mendalam pelanggan kami.
16 Mar,2026
09 Mar,2026
02 Mar,2026
23 Feb,2026
16 Feb,2026
09 Feb,2026
02 Feb,2026
26 Jan,2026
19 Jan,2026
12 Jan,2026
TERATAS